Electric Door Locks Location . cisa is the trusted electronic door locks manufacturer & supplier in cape town, south africa. Have a look through our useful installation advice and. cisa electric rim gate lock outward open rhs with push button 12vac. Get things right the first time and avoid a return visit. Electric lock complete kits as well as electric strike plates. installing electric locks? cisa has been another word for security since 1926, offering the most advanced industry solutions in the form of mechanical and electronic locks, panic. shop door locks online or locate your nearest builders warehouse store. with a variety of secure passwords and mobile technologies, electronic locks allow customers to unlock doors without having to fumble with keys. Reliable delivery easy returns many ways to pay! catalog > access control > electric locks.
from www.electronicsforu.com
cisa electric rim gate lock outward open rhs with push button 12vac. with a variety of secure passwords and mobile technologies, electronic locks allow customers to unlock doors without having to fumble with keys. cisa is the trusted electronic door locks manufacturer & supplier in cape town, south africa. Electric lock complete kits as well as electric strike plates. cisa has been another word for security since 1926, offering the most advanced industry solutions in the form of mechanical and electronic locks, panic. Have a look through our useful installation advice and. catalog > access control > electric locks. Reliable delivery easy returns many ways to pay! installing electric locks? Get things right the first time and avoid a return visit.
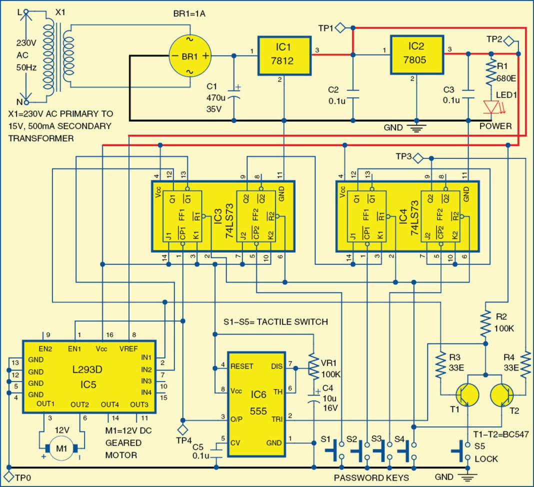
Electronic Door Lock Full Electronics Project with Schematics
Electric Door Locks Location cisa is the trusted electronic door locks manufacturer & supplier in cape town, south africa. cisa has been another word for security since 1926, offering the most advanced industry solutions in the form of mechanical and electronic locks, panic. Reliable delivery easy returns many ways to pay! Have a look through our useful installation advice and. cisa is the trusted electronic door locks manufacturer & supplier in cape town, south africa. shop door locks online or locate your nearest builders warehouse store. installing electric locks? Electric lock complete kits as well as electric strike plates. catalog > access control > electric locks. with a variety of secure passwords and mobile technologies, electronic locks allow customers to unlock doors without having to fumble with keys. cisa electric rim gate lock outward open rhs with push button 12vac. Get things right the first time and avoid a return visit.
From www.recpro.com
RV Electronic Entry Door Lock RecPro Electric Door Locks Location Reliable delivery easy returns many ways to pay! shop door locks online or locate your nearest builders warehouse store. Have a look through our useful installation advice and. cisa electric rim gate lock outward open rhs with push button 12vac. catalog > access control > electric locks. cisa has been another word for security since 1926,. Electric Door Locks Location.
From dengarden.com
A Guide to Electric Locking for Narrow Stile Aluminum Storefront Doors Electric Door Locks Location cisa has been another word for security since 1926, offering the most advanced industry solutions in the form of mechanical and electronic locks, panic. Electric lock complete kits as well as electric strike plates. Reliable delivery easy returns many ways to pay! Get things right the first time and avoid a return visit. cisa is the trusted electronic. Electric Door Locks Location.
From blog.koorsen.com
Differences Between Electric Strike Locks and Locks Electric Door Locks Location with a variety of secure passwords and mobile technologies, electronic locks allow customers to unlock doors without having to fumble with keys. Get things right the first time and avoid a return visit. cisa electric rim gate lock outward open rhs with push button 12vac. catalog > access control > electric locks. shop door locks online. Electric Door Locks Location.
From www.youtube.com
How an electric lock for pedestrian accesses works YouTube Electric Door Locks Location cisa electric rim gate lock outward open rhs with push button 12vac. installing electric locks? shop door locks online or locate your nearest builders warehouse store. catalog > access control > electric locks. cisa is the trusted electronic door locks manufacturer & supplier in cape town, south africa. Reliable delivery easy returns many ways to. Electric Door Locks Location.
From www.amazon.in
Electronic Door Lock, Door Lock Electric Strike Lock Electric Door Locks Location Reliable delivery easy returns many ways to pay! Have a look through our useful installation advice and. cisa electric rim gate lock outward open rhs with push button 12vac. catalog > access control > electric locks. shop door locks online or locate your nearest builders warehouse store. cisa is the trusted electronic door locks manufacturer &. Electric Door Locks Location.
From www.epordo.com
Lock door lock electric plug lock lock power supply cathode lock Electric Door Locks Location installing electric locks? Electric lock complete kits as well as electric strike plates. catalog > access control > electric locks. shop door locks online or locate your nearest builders warehouse store. Reliable delivery easy returns many ways to pay! cisa has been another word for security since 1926, offering the most advanced industry solutions in the. Electric Door Locks Location.
From www.gharjunction.com
What Are Electronic Door Locks & 5 Best Smart Locks For Home Electric Door Locks Location shop door locks online or locate your nearest builders warehouse store. Have a look through our useful installation advice and. Electric lock complete kits as well as electric strike plates. Reliable delivery easy returns many ways to pay! with a variety of secure passwords and mobile technologies, electronic locks allow customers to unlock doors without having to fumble. Electric Door Locks Location.
From ricksfreeautorepairadvice.com
Power door locks don’t work — Ricks Free Auto Repair Advice Ricks Free Electric Door Locks Location Have a look through our useful installation advice and. Get things right the first time and avoid a return visit. cisa electric rim gate lock outward open rhs with push button 12vac. installing electric locks? cisa is the trusted electronic door locks manufacturer & supplier in cape town, south africa. catalog > access control > electric. Electric Door Locks Location.
From www.aliexpress.com
Intelligent Electric Lock Swing Door Lock With 433mhz Remote Controller Electric Door Locks Location Have a look through our useful installation advice and. with a variety of secure passwords and mobile technologies, electronic locks allow customers to unlock doors without having to fumble with keys. shop door locks online or locate your nearest builders warehouse store. catalog > access control > electric locks. installing electric locks? cisa is the. Electric Door Locks Location.
From honda-tech.com
Help with understanding power door lock diagram HondaTech Honda Electric Door Locks Location Electric lock complete kits as well as electric strike plates. cisa is the trusted electronic door locks manufacturer & supplier in cape town, south africa. Get things right the first time and avoid a return visit. catalog > access control > electric locks. cisa has been another word for security since 1926, offering the most advanced industry. Electric Door Locks Location.
From www.silveradosierra.com
• Power Door Locks and Relays Electrical Electric Door Locks Location installing electric locks? with a variety of secure passwords and mobile technologies, electronic locks allow customers to unlock doors without having to fumble with keys. catalog > access control > electric locks. shop door locks online or locate your nearest builders warehouse store. Reliable delivery easy returns many ways to pay! Get things right the first. Electric Door Locks Location.
From www.gvlock.com
Guide To Commercial Automatic Door Locks & Operators GV Lock Electric Door Locks Location cisa is the trusted electronic door locks manufacturer & supplier in cape town, south africa. shop door locks online or locate your nearest builders warehouse store. cisa electric rim gate lock outward open rhs with push button 12vac. installing electric locks? Get things right the first time and avoid a return visit. Electric lock complete kits. Electric Door Locks Location.
From megacompuworldjaipur.com
ELECTRIC DOOR LOCK HIFOCUS Electric Door Locks Location catalog > access control > electric locks. cisa has been another word for security since 1926, offering the most advanced industry solutions in the form of mechanical and electronic locks, panic. cisa is the trusted electronic door locks manufacturer & supplier in cape town, south africa. Get things right the first time and avoid a return visit.. Electric Door Locks Location.
From www.youtube.com
electric door lock installation/electric door lock fitting/electric Electric Door Locks Location installing electric locks? catalog > access control > electric locks. with a variety of secure passwords and mobile technologies, electronic locks allow customers to unlock doors without having to fumble with keys. Reliable delivery easy returns many ways to pay! Have a look through our useful installation advice and. shop door locks online or locate your. Electric Door Locks Location.
From www.youtube.com
How to electric door lock install Electric doorlock connection Electric Door Locks Location Get things right the first time and avoid a return visit. Electric lock complete kits as well as electric strike plates. shop door locks online or locate your nearest builders warehouse store. cisa is the trusted electronic door locks manufacturer & supplier in cape town, south africa. catalog > access control > electric locks. installing electric. Electric Door Locks Location.
From www.precisionmicrodrives.com
Electronic door lock cylinder Precision Microdrives Electric Door Locks Location Reliable delivery easy returns many ways to pay! cisa electric rim gate lock outward open rhs with push button 12vac. shop door locks online or locate your nearest builders warehouse store. Have a look through our useful installation advice and. Electric lock complete kits as well as electric strike plates. installing electric locks? Get things right the. Electric Door Locks Location.
From www.aliexpress.com
TTlockBluetoothWiFiSmartElectronicDoorLockKeypadSmartDoorLock Electric Door Locks Location catalog > access control > electric locks. cisa is the trusted electronic door locks manufacturer & supplier in cape town, south africa. cisa has been another word for security since 1926, offering the most advanced industry solutions in the form of mechanical and electronic locks, panic. Have a look through our useful installation advice and. with. Electric Door Locks Location.
From www.tradees.com
Digital Password Fingerprint Combination Security Smart Door Lock Electric Door Locks Location cisa electric rim gate lock outward open rhs with push button 12vac. with a variety of secure passwords and mobile technologies, electronic locks allow customers to unlock doors without having to fumble with keys. cisa has been another word for security since 1926, offering the most advanced industry solutions in the form of mechanical and electronic locks,. Electric Door Locks Location.